场效应管的主要作用是放大、恒流、阻抗变换、可变电阻和电子开关。
1.场效应管具有放大作用,输入信号Ui经C1耦合至场效应管VT的栅极,与原来的栅极负偏压相叠加,使其漏电流Id相应变化,并在负载电阻Rd上产生压降,经C2隔直流后输出,在输出端即取得放大了的信号电压Uo。Id与Ui同相,Uo与Ui反相。由于场效应管放大器的输入阻抗很高,因此耦合电容可以容量较小,不必使用电解电容器。
2.场效应管可以方便地用作恒流源。恒流源的原理是:如果通过场效应管的漏极电流Id因故增大,源极电阻Rs上形成的负栅压也随之增大,迫使Id回落,反之亦然,使Id保持恒定。恒定电流Id=|Up|/Rs,式中,Up为场效应管夹断电压。
3.场效应管很高的输入阻抗非常适合作阻抗变换。图2-78所示为场效应管源极输出器,电路结构与晶体三极管射极跟随器类似,但由于场效应管是电压控制型器件,输入阻抗极很高,因此场效应管源极输出器具有更高的输入阻抗Zi和较低的输出阻抗Zo,常用于多级放大器的高阻抗输入级作阻抗变换。

4.场效应管可以用作可变电阻。图2-79所示为自动电平控制器电路,当输入信号Ui增大导致Uo增大时,由Uo经二极管VD负向整流后形成的栅极偏压-Ug的绝对值也增大,使场效应管VT的等效电阻增大,R1与其的分压比减小,使进入放大器的信号电压减小,最终使Uo保持基本不变。

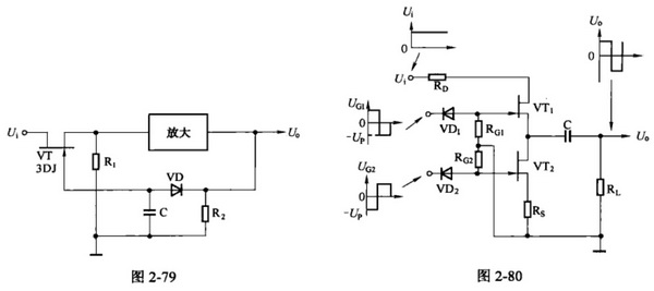
5.场效应管可以用作电子开关。图2-80所示为直流信号调制电路,场效应管VT1、VT2工作于开关状态,其栅极分别接入频率相同、相位相反的方波电压。当VT1导通、VT2截止时,Ui向C充电;当VT1截止、VT2导通时,C放电,其输出Uo便于输入直流电压Ui相关的交变电压。
信息来自:
二三极管 钽电容